首页公司简介LCD产品展示LCM产品展示TFT产品展示加油机产品展示联系我们
0801A Series
0801B Series
1601C Series
•1602B Series
•1602C Series
1602D Series
•1602F Series
•1602K Sereis
•1602O Series
•1604A Series
•1604B Sereis
•2002A Series
•2002G Series
•2002H Series
•2004A Series
•2004B Series
•2402A Series
•4002A Series
•4004A Series
•12232D Series
•12864A Series
•12864B Series
•12864C Series
12864S Series
320240G Series
     
 
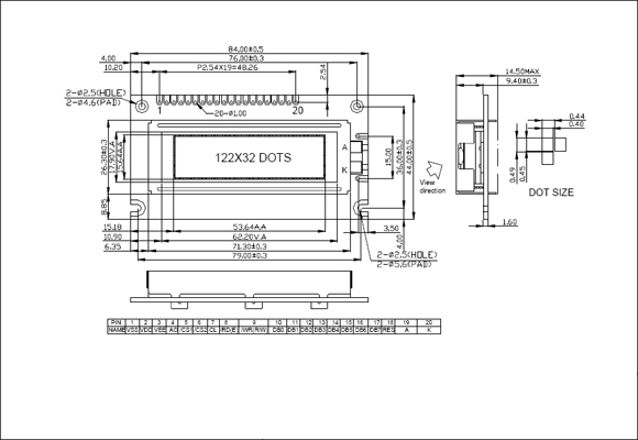
12232D
 
 
   
   
   
   
   
   
   
   

产品别

LCM型号

版本号

显示模式

Module Size (L*W*H)

V/A

A/A

Dot Size

背光颜色

IC型号

COB

BG-12232D-SBYA-I-B

B00

STN (Yellow-Green)

84*44*14.5

62.2*17.9

53.64*15.64

0.4*0.45

Yellow-Green

SBN1661G

Copyright © 2012 珠海斯沃尔电子有限公司 reserved