 |
| |
|
|
| |
产品别 |
LCM型号 |
版本号 |
显示模式 |
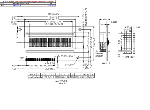
Module Size (L*W*H) |
V/A |
A/A |
Dot Size |
背光颜色 |
IC型号 |
COB |
BC-1602F-SAGA-N-B |
A00 |
STN (Gray) |
84*44*10 |
60.4*15 |
56.2*11.5 |
0.55*0.65 |
NO |
ST7066+ST7065 |
COB |
BC-1602F-SAYA-N-B |
A00 |
STN (Yellow-Green) |
84*44*10 |
60.4*15 |
56.2*11.5 |
0.55*0.65 |
NO |
ST7066+ST7065 |
COB |
BC-1602F-SAYB-N-B |
A00 |
STN (Yellow-Green) |
84*44*10 |
60.4*15 |
56.2*11.5 |
0.55*0.65 |
NO |
ST7066+ST7065 |
COB |
BC-1602F-SBGA-I-B |
A00 |
STN (Gray) |
84*44*14 |
60.4*15 |
56.2*11.5 |
0.55*0.65 |
Yellow-Green |
ST7066+ST7065 |
COB |
BC-1602F-SBYA-I-B |
A00 |
STN (Yellow-Green) |
84*44*14 |
60.4*15 |
56.2*11.5 |
0.55*0.65 |
Yellow-Green |
ST7066+ST7065 |
COB |
BC-1602F-SBYB-I-B |
A00 |
STN (Yellow-Green) |
84*44*14 |
60.4*15 |
56.2*11.5 |
0.55*0.65 |
Yellow-Green |
ST7066+ST7065 |
|
|
|
| |
|
| |
|
| |
|
| |
|
| |
|
| |
|
| |
|
| |
|
Copyright © 2012 珠海斯沃尔电子有限公司 reserved